CÔNG TY CỔ PHẦN CÔNG NGHỆ VŨ NGUYÊN

Bộ lọc EMC MEF Murrelektronik 3 pha, 1 tầng 10534

Thương hiệu: Murrelektronik Loại: Bộ lọc EMC
Tình trạng: Còn hàng
Mã sản phẩm: Đang cập nhật
Liên hệ
CAM KẾT CỦA CHÚNG TÔI
  • cam kết Cam kết 100% chính hãng
  • cam kết Hoàn tiền 111% nếu hàng giả
  • cam kết Giao tận tay khách hàng
  • cam kết Mở hộp kiểm tra nhận hàng
  • cam kết Hỗ trợ 24/7
  • cam kết Đổi trả trong 7 ngày
Liên hệ
Để được hỗ trợ. Hãy gọi: 028 3553 4567

Bộ lọc EMC MEF 3 pha, 1 tầng là thiết bị dùng để giảm thiểu nhiễu điện từ (bộ lọc EMC) trên nguồn điện 3 pha, giúp bảo vệ các thiết bị và hệ thống điện khỏi tần số tín hiệu nhiễu trên đường nguồn.

  • Dòng điện: 36A 
  • Điện áp làm việc tối đa: 3 pha, 600 VAC (3 × 600 V AC)
  • Kiểu lọc: 1 tầng (1 tầng), stylebook-style
  • Model designation: MEF 3/1 36A T
  • Phạm vi lọc tần số: 0,1 MHz đến 30 MHz
  • Mạng phù hợp: Mạng TN-C. Để đạt hiệu quả triệt nhiễu tối ưu, nên lắp đặt với dây nối ngắn – đặc biệt là dây PE không dài quá 10 cm – và sử dụng dây có tiết diện lớn.
  • Trọng lượng: Khoảng 1,5 kg 
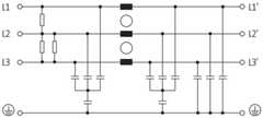
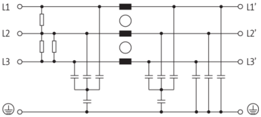
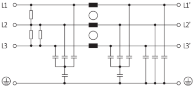
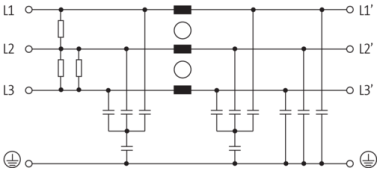
  • Các bộ lọc nhiễu điện lưới MEF 3/1–3/2 loại ba pha với một hoặc hai tầng lọc được thiết kế để hoạt động trong dải tần từ 0,1 đến 30 MHz, nhằm loại bỏ nhiễu dẫn truyền trên các đường cấp nguồn và điện lưới.
  • Các bộ lọc này có khả năng hoạt động hai chiều, giúp giảm thiểu cả nhiễu đối xứng lẫn bất đối xứng – thường xuất hiện trong các bộ biến tần điều tần và nguồn điện chuyển mạch.

Cấu tạo của Bộ lọc EMC MEF 3 pha, 1 tầng 10534

Thông số kỹ thuật  

Model  MEF 3/1 36A T
Dòng rò rỉ tối đa  10 mA @ 250 V AC, 50 Hz
Tần số nguồn 50 ... 60 Hz
Điện áp hoạt động AC tối đa 600 V
Số pha đầu vào 3 pha
Dòng điện quá tải     18× (IN t) max. 0.5 ms; 1.5× (IN t) max. 1 min. (1× per hour)
Điện áp thử cách điện L-N 3.3kV
Điện áp thử cách điện L-L 3.1 kV
hời gian thử cách điện 2 giây
Kích thước  (HxWxD)    250 x 90 x 100 mm 
Phương pháp lắp đặt Gắn bằng vít

Hướng dẫn cài đặt 

Tiết diện dây cứng tối thiểu: 0,5 mm²

Tiết diện dây cứng tối đa: 16 mm²

Tiết diện dây mềm (có hoặc không có đầu cos) tối thiểu: 0,5 mm²

Tiết diện dây mềm tối đa: 10 mm²

Cỡ dây AWG cứng nhỏ nhất: 20

Cỡ dây AWG cứng lớn nhất: 5

Cỡ dây AWG mềm nhỏ nhất: 20

Cỡ dây AWG mềm lớn nhất: 7

Bước 1: Truy cập website và lựa chọn sản phẩm cần mua

Bước 2: Click và sản phẩm muốn mua, màn hình hiển thị ra pop up với các lựa chọn sau

Nếu bạn muốn tiếp tục mua hàng: Bấm vào phần tiếp tục mua hàng để lựa chọn thêm sản phẩm vào giỏ hàng

Nếu bạn muốn xem giỏ hàng để cập nhật sản phẩm: Bấm vào xem giỏ hàng

Nếu bạn muốn đặt hàng và thanh toán cho sản phẩm này vui lòng bấm vào: Đặt hàng và thanh toán

Bước 3: Lựa chọn thông tin tài khoản thanh toán

Nếu bạn đã có tài khoản vui lòng nhập thông tin tên đăng nhập là email và mật khẩu vào mục đã có tài khoản trên hệ thống

Nếu bạn chưa có tài khoản và muốn đăng ký tài khoản vui lòng điền các thông tin cá nhân để tiếp tục đăng ký tài khoản. Khi có tài khoản bạn sẽ dễ dàng theo dõi được đơn hàng của mình

Nếu bạn muốn mua hàng mà không cần tài khoản vui lòng nhấp chuột vào mục đặt hàng không cần tài khoản

Bước 4: Điền các thông tin của bạn để nhận đơn hàng, lựa chọn hình thức thanh toán và vận chuyển cho đơn hàng của mình

Bước 5: Xem lại thông tin đặt hàng, điền chú thích và gửi đơn hàng

Sau khi nhận được đơn hàng bạn gửi chúng tôi sẽ liên hệ bằng cách gọi điện lại để xác nhận lại đơn hàng và địa chỉ của bạn.

Trân trọng cảm ơn.

1. BẢO HÀNH

Bảo hành sản phẩm là: khắc phục những lỗi hỏng hóc, sự cố kỹ thuật xảy ra do lỗi của nhà sản xuất.

1.1. Quy định về bảo hành

– Sản phẩm được bảo hành miễn phí nếu sản phẩm đó còn thời hạn bảo hành được tính kể từ ngày giao hàng, sản phẩm được bảo hành trong thời hạn bảo hành ghi trên Sổ bảo hành, Tem bảo hành và theo quy định của từng hãng sản xuất liên quan đến tất cả các sự cố về mặt kỹ thuật.

– Có Phiếu bảo hành và Tem bảo hành của công ty hoặc nhà phân phối, hãng trên sản phẩm. Trường hợp sản phẩm không có số serial ghi trên Phiếu bảo hành thì phải có Tem bảo hành của CÔNG TY DOLA (kể cả Tem bảo hành gốc).

1.2. Những trường hợp không được bảo hành

– Sản phẩm đã hết thời hạn bảo hành hoặc mất Phiếu bảo hành.

– Số mã vạch, số serial trên sản phẩm không xác định được hoặc sai so với Phiếu bảo hành.

– Tự ý tháo dỡ, sửa chữa bởi các cá nhân hoặc kỹ thuật viên không phải là nhân viên CÔNG TY DOLA

– Sản phẩm bị cháy nổ hay hỏng hóc do tác động cơ học, biến dạng, rơi, vỡ, va đập, bị xước, bị hỏng do ẩm ướt, hoen rỉ, chảy nước, động vật xâm nhập vào, thiên tai, hỏa hoạn, sử dụng sai điện áp quy định.

– Phiếu bảo hành, Tem bảo hành bị rách, không còn Tem bảo hành, Tem bảo hành dán đè, hoặc Tem bảo hành bị sửa đổi (kể cả Tem bảo hành gốc).

– Trường hợp sản phẩm của Quý khách hàng dán Tem bảo hành của CÔNG TY DOLA hay nhầm lẫn thông tin trên Phiếu bảo hành, Phiếu mua hàng: Trong trường hợp này, bộ phận bảo hành sẽ đối chiếu với số phiếu xuất gốc lưu tại Công ty, hóa đơn, phần mềm của Công ty hay thông tin của nhà phân phối, hãng, các Quý khách hàng khác mua cùng sản phẩm cùng thời điểm, nếu có sự sai lệch thì sản phẩm của Quý khách không được bảo hành (có thể Tem bảo hành của Công ty bị thất thoát và bị lợi dụng dán lên thiết bị hay nhầm lẫn nhỏ khi nhập, in ra). Kính mong Quý khách hàng thông cảm!

– Bảo hành không bao gồm vận chuyển hàng và giao hàng.

2. BẢO TRÌ

Bảo trì, bảo dưỡng: bao gồm lau chùi sản phẩm, sửa chữa những hỏng hóc nhỏ có thể sửa được (không bao gồm thay thế thiết bị). Thời gian bảo trì, bảo dưỡng tùy thuộc vào sự thỏa thuận giữa DOLA và Quý khách hàng.

Danh sách so sánh
Liên hệ qua Zalo
Hotline 028 3553 4567 email