CÔNG TY CỔ PHẦN CÔNG NGHỆ VŨ NGUYÊN

Cảm biến lực căng Pora PRTL-C/D

Thương hiệu: PORA Loại: Cảm biến lực căng
Tình trạng: Còn hàng
Mã sản phẩm: Đang cập nhật
Liên hệ
CAM KẾT CỦA CHÚNG TÔI
  • cam kết Cam kết 100% chính hãng
  • cam kết Hoàn tiền 111% nếu hàng giả
  • cam kết Giao tận tay khách hàng
  • cam kết Mở hộp kiểm tra nhận hàng
  • cam kết Hỗ trợ 24/7
  • cam kết Đổi trả trong 7 ngày
Liên hệ
Để được hỗ trợ. Hãy gọi: 028 3553 4567

Tổng quan về sản phẩm Pora PRTL-C/D

PRTL-C/D Type Tension Detector là loại cảm biến lực căng chuyên dùng để đo lực căng trong các hệ thống cuộn hoặc dây chuyền sản xuất.

Sản phẩm được thiết kế phát hiện lực căng theo hai chiều lên & xuống (Up ↕ Down detection)

Được sản xuất bởi các hãng uy tín như Pora Electric Machinery.

Thường được dùng trong các ứng dụng công nghiệp đòi hỏi kiểm soát lực căng chính xác như ngành giấy, dệt, bao bì.

Thông số kỹ thuật 

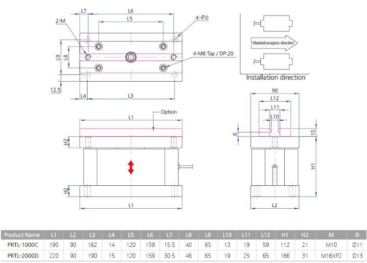
Model  PRTL-1000C     PRTL-2000D
Tải trọng định mức (Rated load)     1000 kg  2000 kg
Đầu ra (Output)     3mV/V, ±0.5% 3mV/V, ±0.5%
Trọng lượng  6.5kg  7kg 

Kích thước sản phẩm 

Kích thước của Pora PRTL-C/D Type

Đơn vị nhập khẩu cảm biến lực căng chính hãng chất lượng cao

Vũ Nguyên JSC chuyên nhập khẩu và phân phối cảm biến lực căng Pora chính hãng với nhiều mã hàng khác nhau. Sản phẩm do Vũ Nguyên JSC cung cấp đáp ứng yêu cầu kỹ thuật khắt khe, có độ chính xác cao và tuổi thọ lâu dài, phù hợp ứng dụng trong nhiều lĩnh vực công nghiệp và sản xuất hiện đại.

Chúng tôi luôn đảm bảo quy trình nhập khẩu minh bạch, đầy đủ giấy tờ chứng nhận CO, CQ và hỗ trợ kỹ thuật tận tâm giúp khách hàng sử dụng thiết bị hiệu quả.

Bước 1: Truy cập website và lựa chọn sản phẩm cần mua

Bước 2: Click và sản phẩm muốn mua, màn hình hiển thị ra pop up với các lựa chọn sau

Nếu bạn muốn tiếp tục mua hàng: Bấm vào phần tiếp tục mua hàng để lựa chọn thêm sản phẩm vào giỏ hàng

Nếu bạn muốn xem giỏ hàng để cập nhật sản phẩm: Bấm vào xem giỏ hàng

Nếu bạn muốn đặt hàng và thanh toán cho sản phẩm này vui lòng bấm vào: Đặt hàng và thanh toán

Bước 3: Lựa chọn thông tin tài khoản thanh toán

Nếu bạn đã có tài khoản vui lòng nhập thông tin tên đăng nhập là email và mật khẩu vào mục đã có tài khoản trên hệ thống

Nếu bạn chưa có tài khoản và muốn đăng ký tài khoản vui lòng điền các thông tin cá nhân để tiếp tục đăng ký tài khoản. Khi có tài khoản bạn sẽ dễ dàng theo dõi được đơn hàng của mình

Nếu bạn muốn mua hàng mà không cần tài khoản vui lòng nhấp chuột vào mục đặt hàng không cần tài khoản

Bước 4: Điền các thông tin của bạn để nhận đơn hàng, lựa chọn hình thức thanh toán và vận chuyển cho đơn hàng của mình

Bước 5: Xem lại thông tin đặt hàng, điền chú thích và gửi đơn hàng

Sau khi nhận được đơn hàng bạn gửi chúng tôi sẽ liên hệ bằng cách gọi điện lại để xác nhận lại đơn hàng và địa chỉ của bạn.

Trân trọng cảm ơn.

1. BẢO HÀNH

Bảo hành sản phẩm là: khắc phục những lỗi hỏng hóc, sự cố kỹ thuật xảy ra do lỗi của nhà sản xuất.

1.1. Quy định về bảo hành

– Sản phẩm được bảo hành miễn phí nếu sản phẩm đó còn thời hạn bảo hành được tính kể từ ngày giao hàng, sản phẩm được bảo hành trong thời hạn bảo hành ghi trên Sổ bảo hành, Tem bảo hành và theo quy định của từng hãng sản xuất liên quan đến tất cả các sự cố về mặt kỹ thuật.

– Có Phiếu bảo hành và Tem bảo hành của công ty hoặc nhà phân phối, hãng trên sản phẩm. Trường hợp sản phẩm không có số serial ghi trên Phiếu bảo hành thì phải có Tem bảo hành của CÔNG TY DOLA (kể cả Tem bảo hành gốc).

1.2. Những trường hợp không được bảo hành

– Sản phẩm đã hết thời hạn bảo hành hoặc mất Phiếu bảo hành.

– Số mã vạch, số serial trên sản phẩm không xác định được hoặc sai so với Phiếu bảo hành.

– Tự ý tháo dỡ, sửa chữa bởi các cá nhân hoặc kỹ thuật viên không phải là nhân viên CÔNG TY DOLA

– Sản phẩm bị cháy nổ hay hỏng hóc do tác động cơ học, biến dạng, rơi, vỡ, va đập, bị xước, bị hỏng do ẩm ướt, hoen rỉ, chảy nước, động vật xâm nhập vào, thiên tai, hỏa hoạn, sử dụng sai điện áp quy định.

– Phiếu bảo hành, Tem bảo hành bị rách, không còn Tem bảo hành, Tem bảo hành dán đè, hoặc Tem bảo hành bị sửa đổi (kể cả Tem bảo hành gốc).

– Trường hợp sản phẩm của Quý khách hàng dán Tem bảo hành của CÔNG TY DOLA hay nhầm lẫn thông tin trên Phiếu bảo hành, Phiếu mua hàng: Trong trường hợp này, bộ phận bảo hành sẽ đối chiếu với số phiếu xuất gốc lưu tại Công ty, hóa đơn, phần mềm của Công ty hay thông tin của nhà phân phối, hãng, các Quý khách hàng khác mua cùng sản phẩm cùng thời điểm, nếu có sự sai lệch thì sản phẩm của Quý khách không được bảo hành (có thể Tem bảo hành của Công ty bị thất thoát và bị lợi dụng dán lên thiết bị hay nhầm lẫn nhỏ khi nhập, in ra). Kính mong Quý khách hàng thông cảm!

– Bảo hành không bao gồm vận chuyển hàng và giao hàng.

2. BẢO TRÌ

Bảo trì, bảo dưỡng: bao gồm lau chùi sản phẩm, sửa chữa những hỏng hóc nhỏ có thể sửa được (không bao gồm thay thế thiết bị). Thời gian bảo trì, bảo dưỡng tùy thuộc vào sự thỏa thuận giữa DOLA và Quý khách hàng.

Danh sách so sánh
Liên hệ qua Zalo
Hotline 028 3553 4567 email