Cam kết 100% chính hãng
Hoàn tiền 111% nếu hàng giả
Giao tận tay khách hàng
Mở hộp kiểm tra nhận hàng
Hỗ trợ 24/7
Đổi trả trong 7 ngày
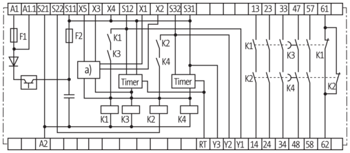
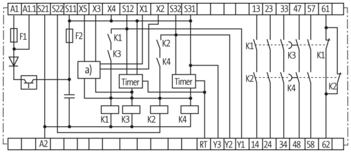
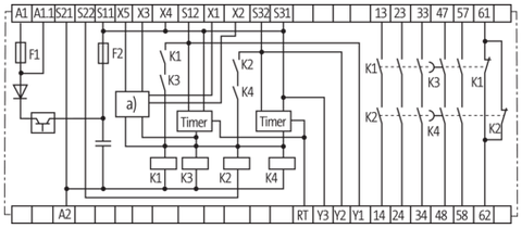
MIRO SAFE+ T 2 24 là rơ-le an toàn cao cấp từ thương hiệu Đức, được thiết kế đặc biệt để điều khiển các chức năng an toàn như dừng khẩn cấp (E-Stop), giám sát cửa bảo vệ, màn chắn quang (light curtain), và công tắc từ an toàn.

| Model | MIRO SAFE+ T 2 24 | |
| Mã an toàn |
DCavg STOP0 (EN ISO 13849-1) |
99% |
| DCavg STOP1 min. (EN ISO 13849-1) | 60% | |
| Service life |
2a |
|
| Category (EN ISO 13849-1) |
4 (STOP0); 3 (STOP1) |
|
| Performance level (EN ISO 13849-1) | e (STOP0); d (STOP1) |
|
| SIL (IEC 61508) |
3 (STOP0); 2 (STOP1) |
|
| Nguồn cấp |
Công suất tiêu thụ tối đa | 32 W |
| Công suất biểu kiến tối đa | 7.1 VA | |
| Đầu vào |
Điện áp đầu vào AC | 24 V |
| Điện áp AC tối thiểu | 20,4 V |
|
| Điện áp AC tối đa | 26,4 V |
|
| Điện áp đầu vào DC | 24 V |
|
| Điện áp DC tối thiểu | 20,4 V |
|
| Điện áp DC tối đa | 28,8 V |
|
| Đầu ra |
Số lượng tiếp điểm phụ (auxiliary contacts) | 1 |
| Tiếp điểm phụ | 31-32 | |
| Điện áp chuyển mạch AC tối đa | 250 V |
|
| Điện áp chuyển mạch DC tối đa | 250 V |
|
| Dòng điện chuyển mạch tối đa | 6 a | |
| Số lượng tiếp điểm an toàn STOP0 | 3 | |
| Tiếp điểm an toàn STOP0 | 13-14, 23-24, 33-34 |
|
| Tổng dòng điện STOP0 | 18 a | |
| Utilization category AC-15 STOP0 (EN IEC 60947-5-1) | 6 A @ 230 V |
|
| Utilization category DC-13 STOP0 (EN IEC 60947-5-1) | 6 A @ 24 V |
|
| Switching capacity safety contacts STOP0 | max. 250 V AC/8 A; min. 10 V AC/10 mA (resist./ind.), at suitable suppression |
|
| Số lượng tiếp điểm an toàn STOP1 | 2 | |
| Tiếp điểm an toàn STOP1 | 47-48, 57-58 | |
| Tổng dòng điện STOP1 | 12 a | |
| Utilization category AC-15 STOP1 (EN IEC 60947-5-1) | 3 A @ 230 V |
|
| Utilization category DC-13 STOP1 (EN IEC 60947-5-1) | 2 A @ 24 V |
|
| Switching capacity safety contacts STOP1 | max. 250 V AC/6 A; min. 10 V AC/10 mA (resist./ind.), at suitable suppression |
|
| Số lượng đầu ra cảnh báo | 3 | |
| Tiếp điểm cảnh báo | 13-14, 23-24, 33-34 | |
| Kích thước (HxWxD) | 100 x 45 x 121 (mm) | |
| Nhiệt độ làm việc | -25 °C đến 60 °C | |
| Nhiệt độ lưu trữ | -40 °C đến 85 °C | |
| Material contact | Ag Sn O | |
| Phương pháp lắp | geschnappt | |
| Phù hợp với loại ray | (EN 60715), mounting rail |
|
Công ty CP Công nghệ Vũ Nguyên là nhà nhập khẩu và phân phối rơ le an toàn của hãng Murrelektronik, cam kết mang đến sản phẩm chính hãng với chất lượng cao và hiệu suất ổn định.
Sản phẩm rơ le an toàn do Vũ Nguyên JSC cung cấp giúp đảm bảo an toàn cho các hệ thống điện công nghiệp, giảm thiểu rủi ro và sự cố không mong muốn.
Với đội ngũ kỹ thuật chuyên nghiệp và dịch vụ hậu mãi tận tâm, Chúng tôi luôn đồng hành cùng khách hàng trong mọi dự án để nâng cao hiệu quả và an toàn vận hành.
Bước 1: Truy cập website và lựa chọn sản phẩm cần mua
Bước 2: Click và sản phẩm muốn mua, màn hình hiển thị ra pop up với các lựa chọn sau
Nếu bạn muốn tiếp tục mua hàng: Bấm vào phần tiếp tục mua hàng để lựa chọn thêm sản phẩm vào giỏ hàng
Nếu bạn muốn xem giỏ hàng để cập nhật sản phẩm: Bấm vào xem giỏ hàng
Nếu bạn muốn đặt hàng và thanh toán cho sản phẩm này vui lòng bấm vào: Đặt hàng và thanh toán
Bước 3: Lựa chọn thông tin tài khoản thanh toán
Nếu bạn đã có tài khoản vui lòng nhập thông tin tên đăng nhập là email và mật khẩu vào mục đã có tài khoản trên hệ thống
Nếu bạn chưa có tài khoản và muốn đăng ký tài khoản vui lòng điền các thông tin cá nhân để tiếp tục đăng ký tài khoản. Khi có tài khoản bạn sẽ dễ dàng theo dõi được đơn hàng của mình
Nếu bạn muốn mua hàng mà không cần tài khoản vui lòng nhấp chuột vào mục đặt hàng không cần tài khoản
Bước 4: Điền các thông tin của bạn để nhận đơn hàng, lựa chọn hình thức thanh toán và vận chuyển cho đơn hàng của mình
Bước 5: Xem lại thông tin đặt hàng, điền chú thích và gửi đơn hàng
Sau khi nhận được đơn hàng bạn gửi chúng tôi sẽ liên hệ bằng cách gọi điện lại để xác nhận lại đơn hàng và địa chỉ của bạn.
Trân trọng cảm ơn.
1. BẢO HÀNH
Bảo hành sản phẩm là: khắc phục những lỗi hỏng hóc, sự cố kỹ thuật xảy ra do lỗi của nhà sản xuất.
1.1. Quy định về bảo hành
– Sản phẩm được bảo hành miễn phí nếu sản phẩm đó còn thời hạn bảo hành được tính kể từ ngày giao hàng, sản phẩm được bảo hành trong thời hạn bảo hành ghi trên Sổ bảo hành, Tem bảo hành và theo quy định của từng hãng sản xuất liên quan đến tất cả các sự cố về mặt kỹ thuật.
– Có Phiếu bảo hành và Tem bảo hành của công ty hoặc nhà phân phối, hãng trên sản phẩm. Trường hợp sản phẩm không có số serial ghi trên Phiếu bảo hành thì phải có Tem bảo hành của CÔNG TY DOLA (kể cả Tem bảo hành gốc).
1.2. Những trường hợp không được bảo hành
– Sản phẩm đã hết thời hạn bảo hành hoặc mất Phiếu bảo hành.
– Số mã vạch, số serial trên sản phẩm không xác định được hoặc sai so với Phiếu bảo hành.
– Tự ý tháo dỡ, sửa chữa bởi các cá nhân hoặc kỹ thuật viên không phải là nhân viên CÔNG TY DOLA
– Sản phẩm bị cháy nổ hay hỏng hóc do tác động cơ học, biến dạng, rơi, vỡ, va đập, bị xước, bị hỏng do ẩm ướt, hoen rỉ, chảy nước, động vật xâm nhập vào, thiên tai, hỏa hoạn, sử dụng sai điện áp quy định.
– Phiếu bảo hành, Tem bảo hành bị rách, không còn Tem bảo hành, Tem bảo hành dán đè, hoặc Tem bảo hành bị sửa đổi (kể cả Tem bảo hành gốc).
– Trường hợp sản phẩm của Quý khách hàng dán Tem bảo hành của CÔNG TY DOLA hay nhầm lẫn thông tin trên Phiếu bảo hành, Phiếu mua hàng: Trong trường hợp này, bộ phận bảo hành sẽ đối chiếu với số phiếu xuất gốc lưu tại Công ty, hóa đơn, phần mềm của Công ty hay thông tin của nhà phân phối, hãng, các Quý khách hàng khác mua cùng sản phẩm cùng thời điểm, nếu có sự sai lệch thì sản phẩm của Quý khách không được bảo hành (có thể Tem bảo hành của Công ty bị thất thoát và bị lợi dụng dán lên thiết bị hay nhầm lẫn nhỏ khi nhập, in ra). Kính mong Quý khách hàng thông cảm!
– Bảo hành không bao gồm vận chuyển hàng và giao hàng.
2. BẢO TRÌ
Bảo trì, bảo dưỡng: bao gồm lau chùi sản phẩm, sửa chữa những hỏng hóc nhỏ có thể sửa được (không bao gồm thay thế thiết bị). Thời gian bảo trì, bảo dưỡng tùy thuộc vào sự thỏa thuận giữa DOLA và Quý khách hàng.